Про электронику и схемотехнику
Про электронику и схемотехнику
В этой статье дается возможность понять: каким образом работают и разрабатываются устройства, использующие свойства электронов и порождаемые ими поля. В практическом плане это позволит с ясным представлением сути относится к окружающим изделиям электроники и даже самому без трепета начать создавать их. Но польза от такого понимания еще больше: ведь практически все вокруг - мир электронов, а значит, эффекты электроники - зеркало вездесущих таинств мироздания, приоткрытых исследователями практического использования электричества.
Именно большой период профессионального занятия электронной схемотехникой позволил мне использовать эти представления для того, чтобы сформировать понимание биологических алгоритмов поведенческой адаптации и механизмов их реализации (см. О системной нейрофизиологии). А первые сопоставления возникли при рассмотрении хорошо изученных нервных систем простейших организмов, которые совершенно однозначно показывали, что природа использовала именно схемотехнический подход, однозначно узнаваемый и безупречно отработанный бесконечными оптимизациями эволюции. Поэтому совершенно бесполезно пытаться понять эту природную реализацию без ясного владения базовыми представлениями об эффектах, порождаемых движениями электронов, ионов, их концентрационными градиентами и другими атрибутами далеко уже не только понятий электроники, но и химии. Поэтому предшествовавшая статья была - Про химию, а еще раньше - О программировании, которое позволяет на более высоком уровне использовать эффекты электроники и химии.
Электроны - отрицательно заряженные "частицы", которые во многих материалах способны оказываться в свободном (не слишком закрепленном у конкретного атома) состоянии. И любое их использование предполагает умение заставить их двигаться заданным образом в построенных цепях (системах связей проводников и устройств) и при этом вызывать сопутствующие полезные эффекты.
А двигаться отрицательно заряженную частицу можно заставить притягивая положительным зарядом (или хотя бы менее отрицательным, который будет в сравнении потенциалов выглядеть как положительный).
Это очень просто осуществляется в вакууме (электронных трубках) с помощью разноименно заряженных электродов, а в проводнике для этого прикладывают разные электрические потенциалы к разным концам проводника. Если утечку одного заряда электронов, двигающихся к более положительному концу, чем-то восполнять, то потечет ток, постоянный на все время восполнения. Если не восполнять, то электроны притекут к более положительному потенциалу проводника ровно настолько, чтобы уравнять заряды.
Эффекты движения электронов в проводнике во многом ничем не отличается от характера движения воды в трубах, чем сейчас и воспользуемся для образности понимания, если не учитывать, что при движении электронов всегда излучается электромагнитное поле (и наоборот: поле влияет на движение электронов), а если они не двигаются, то вокруг распространяется статическое (не изменяющиеся) электрическое поле (более подробно раскрывается это в О движении электронов). Т.е. с полем вокруг все "просто": если электроны не двигаются, то вокруг распространяется, радиально затухая, электрическое поле, если начинают двигатся, то и электрическое поле начинает изменяться соотвественно. При этом изменяющееся электрическое поле вызывает как бы свою тень: магнитное поле (или специфический эффект воздействия изменяющегося электрического поля), распространяющийся по своему воздействию перпендикулярно - как тень (это и есть тень, порождаемая релятивисткими эффектами).
Пока не будем рассматривать поля, порождаемые электронами, а будем использовать аналогию проводников с водопроводными трубами.
Чем тоньше труба - тем труднее воде двигаться. Но чем больше напор - тем легче. В точности так же речь идет в проводниках о сопротивлении и напряжении. Напряжение или разность потенциалов: чем выше верхний конец трубы по отношению к нижнему, тем больше - напряжение и сильнее ток воды (электронов).
Если открыть заслонку, то ближайший слой воды уйдет в нее, потянув другие. Фронт движения воды будет распространяться от слоя к слою со скоростью звука в воде, а фронт движения электронов - со скоростью света. Но частицы воды, как и электроны перемещаются гораздо медленнее (в случае электронов - всего ~0,1-1 мм/с). Т.е. частицы воды движутся гораздо быстрее, не встречая препятствий. А вот электроны вынуждены продираться через кристаллическую решетку проводника, точнее, постоянно тормозятся всеми встречающимися атомами, которые стараются захватить их (подробнее см. в статье Про химию). На это затрачивается энергия, которая, в конечном счете, становится энергией колебаний всех частиц в проводнике - теплом: электроны по пути "дергают" атомы и те колеблются в кристаллической решетке. Вода тоже трется о стенки трубы, выделяя тепло, но гораздо меньше, так, как электроны бы двигались, если заморозить атомы до состоянии безразличия к электронам - сверхпроводящего состояния. Понятно, что чем больше электронов продираются в данном месте, тем сильнее там выделяется тепло. Если проводник широкий, то свободы больше, а если очень тонкий, то весь ток электронов раскаляет эту нить вплоть до высокотемпературного свечения.
Разность потенциалов измеряют в "вольтах" (как и сами потенциалы). Вольт - разность потенциалов, способная вызывать в проводнике ток электронов, в 1 ампер при мощности 1 ватт.
Ампер - это единица измерения тока электронов ("сила" тока, хотя сила - в кавычках - условный сленг), при которой через проводник проходит заряд из 6х1018 электронов (такой заряд обозначают 1 Кулон) за 1 сек. ("зарядом" будем считать какое-то количество электронов в одном месте, - по аналогии с зарядом дроби :).
1 ватт равен мощности, при которой за 1 секунду времени совершается работа в 1 джоуль.
Из этого напрямую вытекает простая формула расчета работы, которую способен совершать ток электронов: мощность равна силе тока, умноженному на приложенное напряжение (W=A*U). Как и с водой в трубе: чем больше потенциал, тем больше совершаемая работа: на мельницу льют воду свысока или ГЭС строят как высокую плотину.
Ток электронов, так же как и ток воды тем больше, чем больше разность потенциалов и тем меньше, чем тоньше просвет т.е. больше сопротивление. Это - закон Ома, который используют для расчетов все электронщики поголовно. Бывает, что человек кроме этого закона больше почти не использует никаких других :), но обойтись без закона Ома невозможно.
Чтобы ввести сопротивление в проводник обычно не использует очень тонкие нити того же проводника из-за их непрочности и неудобства, а используют специально изготовление изделия - "резисторы", которые своим материалом затрудняют движение электронов в строго нужной степени, неизбежно греясь при этом.
Значение сопротивления резисторов измеряют в Омах: 1 ом равен электрическому сопротивлению проводника, между концами которого возникает разность потенциалов (напряжение) 1 вольт при силе постоянного тока 1 ампер.
Если на конце трубы помещена емкость, вода будет наполнять ее некоторое время - до краев или пока течет вода. Точно так же на конце проводника можно подсоединить емкость для накопления заряда электронов - "конденсатор". Электроны, будут выливаться в расширяющееся хранилище пока его потенциал не сравняется с потенциалом на другом конце проводника, если вообще течет ток электронов. Электро-конденсатор так и выполняется: как большое расширение проводника. Конденсаторы изготавливают в виде изделий - как и сопротивления, обычно - в виде больших поверхностей, изолированными друг от друг так, что заряд на одной поверхности противостоит заряду противоположного знака на другой поверхности (на одной - заряд электронов, на другой - заряд недостатка электронов - пустующих мест у атомов, положительно заряженные ядра которых оказались не скомпенсированными ушедшими электронами, т.е. заряд обедненных электронами ядер атомов). Разные заряды притягиваются так, что даже если отсоединить проводник, то заряд электронов окажется сохраненным, и если проводники концов конденсатора соединить, то потечет ток, уравнивая потенциалы поверхностей конденсатора. Заряд конденсатора измеряется в кулонах (выше было написано, что 1 кулон - это 6х1018 электронов).
Емкость конденсатора измеряется в фарадах. Один фарад – это емкость конденсатора, в котором при напряжении между обкладками в 1 вольт можно залить заряд в 1 кулон (емкость Земного шара - меньше одной фарады: ≈ 7·10-4 Ф). В водной аналогии - емкость бака тоже можно заряжать водой в зависимости от верхнего уровня: чем шире бак, тем при одном и том же уровне в заливной трубе можно залить больше воды пока уровни в баке и трубе не сравняются.
Скорость разряда конденсатора зависит от того, сколько электронов в единицу времени будет позволено протекать в цепи: чем меньше, тем на большее время хватит заряда. Если проводники конденсатора замкнуть отверткой, то весь заряд выделится сразу в виде мини-молнии. Если разряд происходит через сопротивление R=1 ом, то емкость в C=1 фараду за время R*C разрядится на 50%. Понятно, что при этом изменяется напряжение на обкладках и поэтому будет изменяться и ток. Так что разряд будет все медленнее, до бесконечности. Поэтому в практических целях удобно пользоваться приближенной формулой T=RC - как некоей "постоянной времени" процесса разряда, - если не учитывать замедление с падением напряжения (и заряда тоже) конденсатора. Более подробно об этом - Зарядка конденсатора. Здесь - полная аналогия с заливкой бака какой-то емкости водой из трубы с сечением, ограничивающим скорость залива: уровень в баке будет подниматься сначала быстро, потом все медленнее, пока не сравняется с верхним уровнем воды в трубе.
Итак, уже понятно, что нужно сделать, чтобы в электро-цепи потек ток, способный совершить работу (нагреть плитку, раскалить до свечения лампочку) это - уровень электромонтера или, по аналогии с водопроводом - сантехника :) Можно зарядить конденсатор и если в электросети пропадет ток, то некоторое время питать им электроустройства, которые могут работать от постоянного тока. Появилась возможность рассчитать мощность в электро-цепи, необходимое напряжение, время работы конденсатора. Если еще усвоить условные обозначения электроэлементов, то можно составлять электрические схемы для последующего монтажа.
Например, соединительные провода обозначаются просто линией,
резисторы обозначают так: ![]()
конденсаторы так: ![]()
В бытовой сети напряжение не постоянное, а чередуется с противоположно направленным с частотой 50 раз в секунду, плавно нарастая и следуя синусоидальному закону (это - наследие гениального экспериментатора Теслы). Для работы же электронных схем, чаще всего, нужно постоянное напряжение. Поэтому большим классом электронных устройств является источники эл.питания и преобразователи напряжения.
Постоянным током питаются усилители сигналов, генераторы сигналов, преобразователи сигналов, радиоустройства, различные "цифровые" устройства и многое другое, что возможно проектировать и создавать самому с развитием некоторых навыков и с помощью идей, развитых предшественниками, лучшие из которых описаны в книгах вроде "искусства схемотехники" и отдельных статьях в инете. Сегодня доступна прекрасная книга П. Хоровиц, У. Хилл Искусство схемотехники, где, начиная с самых основ, рассказывается о способах создания электронных устройств.
В этой статье не будет пройден такой же путь, как в книге, а акцент делается на понимание сути явлений в электронике и основ схемотехники так, чтобы при прочтении таких книг возникало ясное представление.
Основу всех устройств, использующих постоянный ток,
является управление сопротивлением в цепи так, чтобы обеспечивать нужное
изменение тока. В самом простом виде это - цепь из одного постоянного
сопротивления:
Если замыкать и размыкать ключ K, то на выходе получим резкие изменения напряжения от максимального до нулевого. Крутизна фронтов сигнала (идеального прямоугольника никогда реально не бывает) будет зависеть от переходных процессов на контакте: скорости затухания искры и еще будет зависеть от емкости, приложенной к выходу, которая никогда не бывает нулевой (даже если мы ничем не измеряем выходное напряжение, сам проводник имеет некоторую способность накапливать заряд, такая емкость называется "паразитной", т.е. не нужной, мешающей идеальности), точнее, крутизна фронтов будет зависеть от "постоянной времени" цепочки R и С-паразитной - произведению RC. Если достаточно сильно увеличить масштаб наблюдения, то будет видна суммарная картина зарядки-разрядки паразитных емкостей и переходных процессов на контактах:

На картинке - сигнал, имеющий период повторения (равный продолжительности нарастания и спада), который можно характеризовать и как имеющий определенную частоту - сколько периодов нарастания-спада возникает в секунду. Период измеряется в единицах времени, частота в герцах: 1 герц это один период в одну секунду. Всегда можно переводить период в частоту или наоборот: F=1/T - частота F - величина, обратная периоду T.
Если вместо ключа поставить переменный (регулируемый вручную) резистор, то станет возможным изменять напряжение на выходе от максимального R1/R2 до нуля (когда значение R2 становится нулевым), формируя любую форму изменения напряжения на выходе за счет того, что входное напряжение распределяется по резисторам пропорционально их величине (такое устройство так и называется: "делитель напряжения"):

Вместо ручного управления в устройствах обычно используется автоматическое (хотя ручное применяется во многих регулировках с помощью ручек переменных резисторов, выводимых на переднюю панель).
Создано множество электронных элементов, позволяющих автоматически регулировать напряжение за счет изменения своего сопротивления. Автоматически управляемые ключи используются в цифровых устройствах, когда двум возможным значениям сигнала условно придается значение 1 или 0. Скорость работы цифрового устройства зависит от применяемых сопротивлений и того, насколько удается избавиться от паразитных емкостей, перезаряжающихся через сопротивления элементов: невозможно использовать частоты переключений большие, чем определяемые пологостью фронта сигнала, образуемый перезаряжающейся емкостью.
Эти представления очень важны потому, что буквально всегда и везде они должны учитываться разработчиком. Кроме того, вообще понимание явления формирования фронтов и форм сигнала позволяет ясно понимать способы воздействия в таких устройствах как фильтры, сумматоры, модуляторы, усилители с обратной связью и других.
Как возникает фронт сигнала (имеющего полезное назначение движения электронов)? Вот, было подано напряжение - потенциал, который заставил электроны двигаться, согласно своему заряду. Но в первый момент двигаться начинают только ближайшие электроны, увлекая последующие со скоростью передачи взаимодействия. В самый первый момент увлекается только первый слой электронов вместе с изменением потенциала. Поэтому в этот момент возникает фронт самой высокочастотной части сигнала. Преодолевается инерция, присущая любым инерциальным телам (а электроны имеют массу), а так же упругость их текущих связей со средой, что делает первоначальное движение не мгновенным, а подчиненным плавному закону упругого воздействия. Эта упругость всегда имеет колебательные свойства, описываемые синусоидальным законом, обычно - затухающим как колебания шарика на пружинных подвесках. Затем вовлекаются последующие слои электронов, уже более медленным нарастанием воздействия, а следующие - еще более медленным. Таким образом видимый нами довольно резкий фронт на самом деле состоит из суммы затухающих колебаний - от самых высокочастотных до, в конечном счете, того, период которых определяется периодом сигнала всего процесса.
Это означает, что сигнал любой формы на самом деле состоит из суммы строго синусоидальных затухающих сигналов и основного синусоидального сигнала, определяющего период (или, что любой сигнал можно разложить на ряд составляющих гармонических сигналов - ряд Фурье). Каждая следующая гармоника отличается от предыдущей в 2 раза по периоду колебаний. Таким образом любой сигнал не синусоидальной формы имеет свой спектр гармонических составляющих, который можно увидеть с помощью устройств (или программ) - анализаторов спектра.
На
рисунке показано, как из все большего числа гармоник (синусоидальных сигналов)
появляется все более идеально-прямоугольная форма суммарного сигнала. Сверху
слева цифра - число гармоник в спектре сигнала. Если сигнал прямоугольной формы
(меандр) пропускать через фильтр, обрезающий высокие
частоты, то будем получать тем более сглаженный результат, приближающийся к
частоте основной гармоники, определяющий период, чем все более низкие частоты
будет обрезать.
С помощью программы можно самому поисследовать гармонический состав различных сигналов. В случаях же реальных электросхем, сигнал наблюдают с помощью прибора - осциллографа, который показывает на своем экране как меняется во времени сигнал в точке, с которой соприкасается щуп осциллографа.
Из-за фундаментальности (общей причины) взаимодействий не только в электронике сигналы, а вообще любые динамические явления складываются из более элементарных гармонических оставляющих: звук в любых средах, соударения предметов и даже удар ладонью по плечу :)
В качестве элементов с управляемым сопротивлением
придуманы разного типа транзисторы. Простейшие для понимания из них - "полевые"
работают по тому же принципу, каким управляется поток электронов в вакуумных
трубках: с помощью прикладываемого сбоку от потока поля. Если электроны
двигаются от отрицательного электрода ("истока") к положительному
("стоку"), притягиваясь положительным потенциалом, а сбоку начать
увеличивать интенсивность отрицательного потенциала "управляющего" электрода
("затвором"), то поток электронов будет соответственно уменьшаться
пока вообще не будет отсечен. Т.е. полевой транзистор имеет три электрода:
Заметьте, что форма выходного сигнала зеркально отражена по вертикали по отношению ко входному, "инвертирована". Понятно, что более положительный сигнал на входе уменьшает запирающий потенциал на затворе, что приводит к уменьшению отклика сигнала на выходе (в некоторых типах полевых транзисторах для запирания прикладывают потенциал, значительно более отрицательный, чем на истоке). Кроме того, выходной сигнал больше по величине, "усилен" по отношению ко входному, т.е. потенциал на затворе сильно влияет на сопротивление канала транзистора, чего добиваются нужной конфигурацией и расположением электродов.
Подробнее про полевые транзисторы можно посмотреть в статье Полевой транзистор. Полевые транзисторы все больше вытесняют применяющиеся ранее "биполярные транзисторы" из-за своих многих более идеальных свойств, но все еще далеко не всегда могут их заменить полноценно.
Из огромного множества устройств здесь рассмотрим усилитель, сумматор сигналов и модулятор (перемножитель сигналов) - как наиболее показательное приложение элементов с управляемым сопротивлением и их свойств. И то и другое имеет одну схему (в случае использования одного транзистора) и различаются только способами подачи входного сигнала.

Диапазон возможных значений амплитуды сигнала равен полностью открытому и полностью закрытому состоянию транзистора, т.е. от значения питающего напряжения до R1/R2 его части. Изменение потенциала на входе транзистора вызывает точно такие же изменения его на верхнем конце резистора R2 с некоторым сдвигом по напряжению, определяемым характеристикой транзистора потому, что стоит транзистору приоткрыться как напряжение на этом конце соответственно возрастет: здесь сигнал передается без усиления и без инвертирования. Изменение напряжения на резисторе R2 вызывает, по закону ома, изменение тока в цепи через транзистор и резистор R1 (ясно, что ток электронов, если он есть, то он - один и тот же во всей цепи, как ток воды в трубе и зависит от общего сопротивления). Это изменение тока вызывает, тоже по закону Ома, изменение напряжения на резисторе R1. Если уравнять два этих значения по одинаковому току (приравнять Iu1/R1 = U2/R2), то получится, что коэффициент усиления сигнала на R1 (U1/U2) будет равно соотношению резисторов: чем больше резистор R1 чем R2, тем больше усиление сигнала таким устройством.
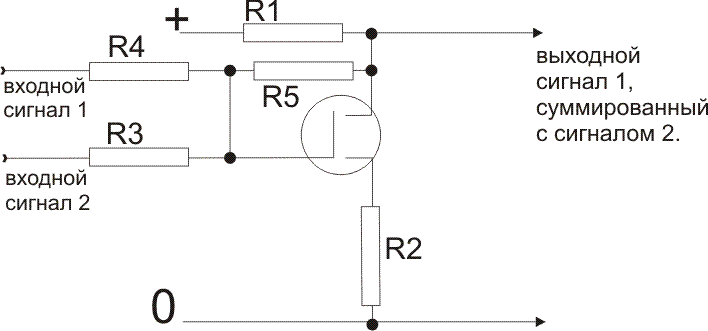
В этой схеме можно подать еще один сигнал следующим образом:

Если не будет подаваться сигнал 1, то на выходе мы получим отклик только от воздействия сигнала 2. Увеличение потенциала в верхней точке резистора R2 вызовет относительное уменьшение потенциала на затворе и транзистор призакроется, а на выходе будет увеличение сигнала (т.е. сопротивление транзистора увеличилось). Т.е. сигнал 2 передается без инвертирования. Его усиление будет определяться соотношением резисторов R2/R3 (т.к. они делят входной сигнал 2). При подаче еще и сигнала 1 он будет не суммироваться с сигналом 2, а перемножаться с ним, меняя свою амплитуду в зависимости от амплитуды модулирующего его сигнала. При суммировании сигналов их амплитуды остаются неизменными:

В данном случае коэффициент усиления сигнала равен отношению значения резистора R5 и значения резистора сигнала (точнее - полному выходному сопротивлению цепи сигнала). R5 называется резистором отрицательной обратной связи потому, что часть сигнала с выхода подается обратно на инвертирующий (вот почему связь "отрицательная") вход. К точке соединения резисторов можно подсоединить еще и другие такие же цепи для суммирования их сигналов (например, сигналы нескольких микрофонов).
Все рассмотренные устройства использовали разные способы управления сопротивлением элемента для получения заданного эффекта использования источника постоянного тока. Но это только - часть электроники и электротехники. Другая часть использует переменные электромагнитные поля, порождаемые движением электронов или постоянные электрические - от зарядов электронов (в полевом транзисторе - они использовались :).
Уже говорилось, что любое движение электронов вызывает не только изменение в распространении электрического поля (поляризации среды зарядом, см. Вакуум, кванты, вещество), но и его тень: изменяющееся магнитное поле. Все это называют электромагнитным полем (ЭМП) - индуцированной (вынужденной чем-то) динамической поляризацией окружающей среды, эквивалентной наличию и взаимодействиям квантов ЭМП - фотонов. Движение электрона вызывает индуцированное появление квантов этого поля с частотой, соответствующей периоду движения электрона.
Это означает, что если в проводнике движется ток электронов взад-вперед с некоторой частотой, то вокруг с той же частотой излучаются электромагнитные волны. Если специально сделать проводник достаточно длинным (соизмеримым с расстоянием, которое успевают пролететь свет за период переменного сигнала в проводнике), то такая антенна будет эффективно излучать ЭМП в эфир.
Раскаленная нить накаливания так же излучает фотоны в эфир, а роль антенн выполняют отдельные электроны (излучаемая частота напрямую зависит от температуры, а так как всегда есть разброс тепловой энергии атомов и электронов, то возникает и разброс в частотах: излучается целый спектр частот). Еще излучают электроны при их накачке энергией других электронов - электрического тока в кристаллах некоторых веществ (что используется для изготовления люминофоров или излучающих изделий - светодиодов и лазеров). Другие же вещества обладают способностью быть приемными антеннами фотонов, что позволяет изготавливать такие изделия как фоторезисторы, фотодиоды, фототранзисторы и т.п. - превращая фотоны в заряд электронов.
Любой проводник с движущимися электронами излучает ЭМ волны, а другие, рядом расположенные проводники принимают их, т.к. внешнее поля всегда воздействует на электроны. Излучает электро-проводка в квартире и офисе так, что загорается неоновая лампочка на карандаше-индикаторе электрика, излучают провода электропередач переменного тока, излучают провода работающего компьютера и даже нервы нашего организма, в том числе проводящие волокна мозга (что пытаются использовать для создания интерфейса управления компьютером "мыслью").
Все это позволяет с нужной частотой поляризовать окружающее пространство в виде ЭМП, которые распространяются со скоростью света и могут заставить двигаться электроны в далеком проводнике с той же частотой. Это движение усиливается, фильтруется от всего, кроме этой полезной частоты, несущий сигнал, который модулирует несущую частоту и передает информацию.
Кроме того, эффект индуцированной динамической поляризации среды с порождением ЭМП позволяет непосредственно передавать мощность на расстояние без проводов. Это используется в электромоторах переменного тока, трансформаторах, питании аппаратуры окружающим полем (например, гаджетов в wi-fi поле когда рядом нет розетки для подзарядки).
Рассмотрение сути эффектов ЭМ-полей намного менее зримо-понятно, не имеет обыденных аналогий. Чаще всего это заставляет даже их исследователей не покушаться на понимание их сути, а довольствоваться результатами чисто опытных (читай алхимических) находок и их систематизированных обобщений. Хотя эта область очень хорошо изучена именно в эмпирическом плане и очень хорошо формализовано описана.
Наиболее просто представима передача энергии путем индуцированной динамической поляризации - работа конденсатора в цепи переменного тока. Напомню, конденсатор это - две металлические поверхности, изолированные слоем диэлектрика или просто вакуумом.
Если конденсатор подключен к источнику постоянного тока электронов, то через сопротивление цепи одна его обкладка заряжается (заполняется) электронами потому, что к другой приложен положительный потенциал, притягивающий эти электроны. Конденсатор будет заряжаться, пока избыток электронов своим отрицательным зарядом скомпенсирует положительный потенциал другой обкладки и новые электроны перестанут притягиваться. Изолятор мешает электронам уйти в обедненную электронами часть цепи. Но слой диэлектрика - намного толще прямого влияния отдельного электрона и "чувствовать" обедненность на другой стороне они непосредственно не могут. Но недостаток электронов на обкладке непосредственно оттягивает на себя хорошо закрепленные с атомами (и потому не свободные) электроны изолятора. Они поворачиваются как можно ближе к положительной обкладке, разворачивая молекулу диэлектрика так, что положительный конец ее оказывается смотрящим в сторону отрицательной обкладки. Теперь этот слой молекул диэлектрика воздействует на последующий в точности как положительная обкладка. Говорят, что материал диэлектрика поляризуется до тех пор, пока электроны на отрицательной обкладке на "почувствуют" непосредственно такое влияние.
А если обкладки изолированы не диэлектриком (веществом, имеющим молекулы заряженные положительно и отрицательно с двух сторон), а вакуумом? Он так же поляризуется. Вакуум - в среднем - пустота, но с постоянно возникающими и пропадающими частицами всех возможных видов, в том числе электронов (подробно см. Флуктуации вакуума и Природа флуктуаций вакуума). Ближайшие к обкладкам виртуальные частицы вакуума чувствуют влияние как заряда электронов на обкладке, так и их недостаток на другой. Т.е. вакуум так же поляризуется (говорят о "диэлектрической проницаемости вакуума"), и это явление называется электрическим полем в вакууме.
Если конденсатор подключен в цепи переменного тока, то возникает динамическая (в движении) переполяризация с каждым изменением полярности тока в цепи. Теперь не только электроны движутся взад-вперед в такт изменениям тока электронов в цепи, но в конденсаторе диполи изолятора или виртуальные поляризованные частицы вакуума (создающие эффект распространения квантов ЭМ поля) двигаются так же согласовано. Разрыва в цепи больше нет потому, что зарядки-разрядки не успевают дойти до предельного накопления-разряда зарядов на обкладках, который и разрывал цепь из-за скомпенсированности потенциалов. Если при подключении конденсатора к постоянному току в цепи происходило движение электронов только на время заряда обкладок, а потом прекращалось, то в цепи переменного тока движение уже не прекращается: конденсатор проводит переменный ток.
Если емкость конденсатора настолько мала, что он успевает зарядится за период изменения направления тока в цепи, то он перестает проводить, если нет, то он проводит не хуже металлического проводника. Значит, для каждой частоты тока в цепи можно подсчитать такую емкость С конденсатора, которая при его зарядке через сопротивление цепи R, будет на грани проводимости. Это, как уже говорилось раньше - произведение RC, равное T - периоду изменения полярности тока в цепи. Такая цепочка начинает хуже проводить ток данной частоты и может быть использована как фильтр, обрезающий частоту с эффективностью 6 децибел на каждое удвоение частоты (на каждую октаву), т.е. при каждом удвоении частоты проводимость в цепи будет становиться лучше в 4 раза: более низкие частоты (изменения направления тока) будут проводиться хуже, вплоть до почти полной изоляции, а более высокие - лучше.
Как уже говорилось раньше, в одном и том же потоке электронов могут быть сколько угодно более мелких колебаний прямо-назад разной частоты, накладывающихся на общий поток и все вместе определяющие общую картинку потока - форму сигнала. Поэтому RC-цепочка может лучше проводить более высокочастотные колебания и тормозить более низкочастотные, т.е. работать фильтром в течении электронов - фильтром низких частот:

Глушитель в автомобиле работает фильтром высоких частот. Он состоит из трубы (сопротивления) с расширением в виде емкости. Такое же подключение сопротивления и емкости в электро-цепи будет приводить к тем же результатам: подавлению высоких частот:

А вот при рассмотрении трансформаторов и других индуктивных передатчиков эл.энергии всякие зримые аналогии с трубами-емкостями заканчиваются.
Трансформатор - это, в простейшем случае - две катушки,
обычно намотанные вокруг магнитоэлектрика или вообще без каркаса. Во "входной"
катушке - переменный ток, вызывает отклик такой же частоты - в
"выходной" катушке. В этом плане напоминает конденсатор - как
средство передачи эл.энергии вне проводов. Еще он напоминает антенну - как
средство излучения эл.энергии - входная обмотка и средство ее приема - выходной
обмоткой.
На схеме - обозначение трансформатора с одной входной и двумя выходными обмотками. В идеальном случае напряжение на выходной обмотке соответствует пропорции числа витков со входной: Uвых=Uвх.*Nвх./Nвых. Это дает возможность как угодно повышать или понижать напряжение на выходе за счет соотношения числа витков. Т.к. ток электронов на входе обеспечивает соответствующую интенсивность поля, то на выходе, естественно, не может быть общей мощности больше. Если на выходе - меньшее напряжение, то при той же мощности возможно получить больший ток и наоборот.
Чтобы сконцентрировать поле в районе выходной катушки (не рассеивая его напрасно) используются сердечники со способностью поддерживать поле за счет магниточувствительных зерен (магнитных доменов) структуры вещества, которые легко способны менять ориентацию под воздействием поля входной катушки (т.е. в магнитоэлектрическом веществе атомы имеют такие прикрепленные к ним электроны, которые своим спином, определяющим направление элементарного магнитного поля, как магнитики, поворачиваются вслед за полем входной катушки без особых усилий и сопротивления в кристаллической решетке.).
Обмотки, запитываемые постоянным током это - "электромагниты", - имеют постоянную ориентацию индуцированного обмоткой поля и, в этом случае, уже позволяют использовать вещество, более неохотно, с заметными потерями мощности эл.тока, изменяющее ориентацию зерен свой структуры так, что даже после снятия тока в обмотке, сердечник продолжает быть намагниченным.
Чаще всего трансформаторы используют в блоках питания для преобразования напряжений. Отдельно обмотки провода, которые называют "катушками индуктивности" используют намного более широко, чаще всего - в качестве элементов фильтров потому, что они, по сравнению с резисторами, не ограничивают ток электронов сопротивлением их движению, и, кроме того, в сочетании с конденсаторами, обеспечивают в два раза более крутую характеристику фильтрации (из-за специфики резонансного взаимодействия, т.е. гармонической колебательной системы, перераспределяющей эл.энергию между индуктивностью и конденсатором - как маятник с резонансом на частоте настройки этой системы).
Невообразимое разнообразие использования свойств "индуктивностей" в эл.схемах - не позволяет даже бегло остановиться на этом :)
Еще одним очень важным эффектом, который используется в эл.схемотехнике, являются "полупроводниковые переходы" или переходная зона между двумя видами полупроводников, обогащенных примесями, придающими им нужные свойства. Главная используемая фишка таких переходов в том, что они создают границу (переход) из двух видов материалов: в первом - носителями электротока являются обычные для металлов электроны, которые находятся в избытке, в свободном состоянии (n-материал), а во втором - носителями эл.тока являются области с нехваткой электрона в кристаллической решетке - "дырками", которые, соответственно, относительно положительно заряжены (p-материал).
Это придает ценные свойства их границе раздела: если изделие повернуто к "плюсу" источника питания своей р-половиной, то эл.ток проходит через него, а если наоборот, то - нет. Но в первом случае нужно некоторое избыточное напряжение, чтобы преодолеть препятствие, всегда возникающее на границе перехода: обедненная область, из-за того, что электроны у границе раздела проходят и, занимая место дырок, это место становится не проводящим. Такая граница называется p-n переходом.
Чтобы преодолеть обедненные с обеих сторон перехода области, нужно приложить напряжение от 0,3 до 0,6 вольт (в зависимости от используемого вещества полупроводников), достаточное для продвижения электронов через обедненную область, и начинает течь ток, но на границе так и остается разность напряжений, которая зависит от протекающего тока и температуры - "падение напряжения", - как это бывает с любым резистором при протекании тока через него, только это падение намного меньше зависит от протекающего тока, т.е. не подчиняется закону Ома.
Если к полупроводнику, подключенному в "прямом" (проводящем) направлении приложить напряжение значительно большее, чем 0,6 вольт, но очень сильно ограничить ток (например, очень большим резистором), то никакой разницы с просто проводником не обнаружится: ток будет точно так же протекать без падения напряжения. Это происходит из-за того, что всегда есть примеси, которые делают переход неидеальным и проводящим в любую сторону (примеси, порождающие всякие паразитные носители эл.тока). Но когда ток будет увеличиваться, то влияние перехода будет все более заметным - как увеличение падения напряжения на переходе, пока влияние примесей совсем не замаскируется, став исчезающе не заметным.
Когда к переходу сначала прикладывается напряжение, близкое к нулю, ток обеспечивается только примесями. Сначала он нарастает так же, как через обычный резистор по мере увеличения напряжения, но когда напряжение превышает 0,3-0,6 вольт, начинает расти очень быстро - практически весь ток в цепи начинает проходить через переход.
Понимание такой особенности p-n перехода очень важно для создания схем на полупроводниковых переходах.
Изделия из cдвоенного полупроводника с p-n переходом называются диодами. Они часто используется по своему прямому назначению: пропускать ток только в одну сторону, что позволяет из переменного тока получить постоянный (см. "выпрямители").
Если сделать тройной полупроводник: два n-материала, а между ними - очень тонкий - p-материал (или наоборот), то такое изделие не будет проводить, каким бы концом не подключали его к источнику эл.питания. Понятно: как ни крути, а один из переходов оказывается заперт. Такое изделие называют "биполярным" транзистором.
Если приложить положительное напряжение к центральному слою, который называется "базой" n-p-n транзистора, то нижний переход откроется как диод. Но при этом избыток в базе привнесенных носителей начнет компенсировать обедненность верхнего перехода (ведь база - очень тонкая) так, что приложенного напряжения к верхнему переходу ("коллектору") станет более, чем достаточно для того, чтобы ток потек через весь транзистор да так, что падение напряжения на нем может даже оказаться меньше, чем 0,3-0,6 вольта (режим насыщения носителями). Как и в случае ранее рассмотренного полевого транзистора, становится возможным управлять проводимостью устройства и схемы, которые это демонстрировали, годятся и для случая биполярного транзистора, хотя особенности управления и результаты несколько отличаются (главное - тем, что сопротивление полевого транзистора намного больше напоминает сопротивление резистора, не обладая такой крутизной и еще тем, что для открывания биполярного транзистора нужен некоторый ток в базе).
При коммунизме я пытался сделать мощный преобразователь нестабильного сетевого напряжения без силового сетевого трансформатора - в питания устройств, используя доступные тогда самые высоковольтные и мощные биполярные транзисторы совкового производства. Схема была вылизана тщательно, показывала то, что надо, но время от времени что-то такое случалось, и очередная пара транзисторов становилась горелыми кусками железа. Изредка возникал неуловимо короткий, но летальный переходный процесс с тем самым не омическим, а крутым выбросом тока между транзисторами, которого хватало для их гибели, и не находилось никакого лекарства против этого без значительного ухудшения свойств преобразователя. Наконец, я честно принес шефу глубокую миску от собачьего корма, до верху наполненную красивыми, но безжизненными уже железячками, стоившими очень не мало. Шеф очень меня ценил и даже не подумал изречь дежурную гадость. Он ясно понял, что свершилось неразрешимое селяви советской транзистологии в приложении к мощным преобразователям, а так как наше ОКБ занималось не источниками питания, а ультразвуковыми и доплеровскими измерителями скорости, то потраченный месяц - был итак слишком большой платой.
Теперь в блоках питания компов неслышно жужжат высоковольтные заморские полевые транзисторы, неизмеримо более пригодные на такую роль :) с такими характеристиками, о которых в то смутное время можно было лишь мечтать..
Есть еще изделия из четырехслойных структур :) и еще более экзотические,... Но это - уже детали, которые познаются в меру возникающего интереса и практической необходимости :) Поэтому рассмотрение электроники и схемотехники в наиболее общем, мировоззренческом плане на этом завершается.
